No doubt you’ve heard of Cottagecore. But the artfully cluttered, very online design style hadn’t really hit the pre-drawn blueprint market. Until (maybe) now.
We’re seeing a wave of plans that can best be described as modern cottage (lots of arches and stone). Or sometimes, modern French (less stone, really steep rooflines). Or even full-on castles (so much stone, generally large).
What they have in common: a general sense of romantic appeal. And most of them keep the color palette high-contrast and lines pretty clean for a contemporary feeling.
So, will people actually want to buy homes with this style? Or is it best left to the Pinterest boards? Time will tell. And nothing has dislodged modern farmhouse for plan sales yet.
But the best of them keep the layouts fresh and uncomplicated, like this new, 1,526-square-foot design.

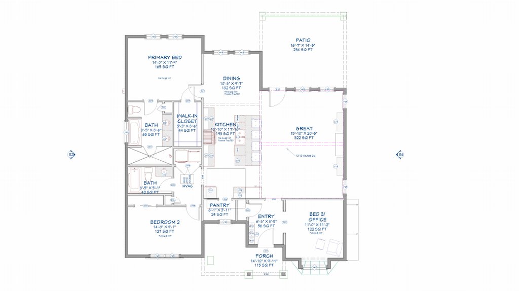
Here’s the floor plan. Impressively, it manages to fit in three bedrooms, two baths, and a large kitchen in under 1,600 square feet. That makes it a great size for downsizers, or for those who want more pizzazz than most starter homes offer.
The guest bedroom/office near the front adds versatility for those who work from home. Bedroom 2 sports surprisingly generous dimensions, so visiting in-laws or adult children will feel comfortable.
And the primary suite showcases a very large shower, a separate tub, and two sinks at the vanity.
In the middle of the home, everyone can gather at the island, where there’s space to seat four at the island. Or head out to the patio to enjoy the fall foliage.